Время работы менеджеров с 9:00 до 18:00

| № | Название детали | Количество | Изнашиваемая деталь |
|---|---|---|---|
| 1 | Самоконтрящиеся гайки | 10 | |
| 2 | Тормозной барабан | 1 | O |
| 3 | Ступица колеса | 1 | |
| 4 | Болт ступицы | 10 | |
| 5 | Центрирующая втулка | 2 | |
| 6 | Фланцевая гайка | 10 |


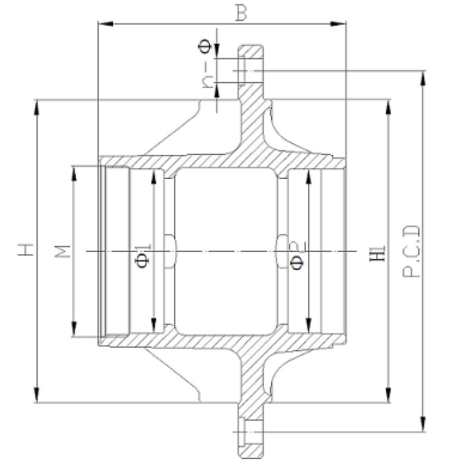
| Нагрузка на ось | Тормозной узел | H | P.C.D | n-Φ | B |
|---|---|---|---|---|---|
| 8T | Φ419×150 | Φ282 | Φ335 | 10-Φ23.5 | 223 |
| 11T | Φ311×190 | Φ183 | Φ225 | 10-Φ24.3 | 266 |
| 13T | Φ419×180 | Φ282 | Φ335 | 10-Φ23.5 | 247 |
| 13T | Φ419×180 | Φ243 | Φ285 | 10-Φ23.5 | 253 |
| 16T | Φ419×220 | Φ282 | Φ335 | 10-Φ23.5 | 289 |
| 12T | Φ311×190 | Φ183 | Φ222.25 | 6-Φ21.5 | 266 |
| 12T | Φ311×178 | Φ183 | Φ222.25 | 6-Φ21.5 | 255 |